ESTUDIO Y EVALUACIÓN DEL RECURSO SOLAR. INGENIERÍA CONCEPTUAL PARA TRAMITACIÓN AMBIENTAL, OBRA CIVIL,INCLUYENDO ESTUDIO HIDROLÓGICO Y ELÉCTRICA
CLIENTE: CORAL ENERGÍA
Argentina, 2017
ESTEYCO ha desarrollado para los Parques Solares Fotovoltaicos de San Diego I (50MW), San Diego II (50MW Fase 1 + 50MW Fase 2), San Diego III (35MW Fase I y 65MW Fase 2),
Santa Ana I (99MW) y san Francisco II (40MW Fase 1 + 55MW Fase 2), todos ellos ubicados en Argentina, los siguentes trabajos:
- Estudio del recurso solar e informes de producción de energía para diferentes tecnologías de paneles solares mediante la aplicación PVSYST.
- Desarrollo de la ingeniería conceptual asociada a la Obra Civil: definición de la distribución modular de los paneles solares seleccionados, trackers y estaciones de potencia; definición de los caminos internos y externos; estudio hidrológico, definición del impacto ambiental.
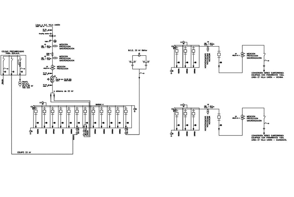
- Desarrollo de la ingeniería conceptual asociada a la Obra Eléctrica: definición de la red baja tensión; definición de la red de circuitos de media tensión, definición del edificio eléctrico y subestación elevadora; definición de los diagramas unifilares de parque y subestación; línea de alta tensión y conexión al SADI.
- Elaboración de los Programas de Operación y Mantenimiento y de Cierre de Proyecto.
- Definición de las especificaciones técnicas de los equipos principales